GANRO
HINAKA пневматические и гидравлические цилиндры
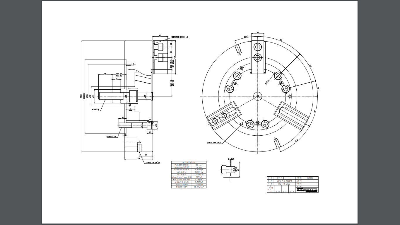
HC-18 Samchully | Токарный патрон

Описание
Токарный гидравлический патрон модели HC-18 является автоматическим устройством зажима с тремя подвижными кулачками, предназначенным для обеспечения высокоскоростной фиксации и обработки деталей.
Преимущества патрона Samchully HC-18:
- Данный инструмент оптимально подходит для обработки вертикальных деталей на токарных станках, а также для работ с квадратными или прямоугольными заготовками, не требующими сквозного отверстия.
- Широкий диапазон доступных размеров позволяет выполнять обработку крупных изделий.
- Герметичная конструкция с уплотнительными кольцами минимизирует потребность в обслуживании.
Комплект поставки:
- Гидравлический токарный патрон.
- Набор незакаленных кулачков с комплектом Т-гаек и болтов.
- Крепежные болты для фиксации патрона к шпинделю станка.
- Ключ для затяжки тяговой гайки.
Основные характеристики HC-18:
- Наружный диаметр ØD: 410 мм
- Максимальная частота вращения: 2710 об/мин
- Ширина патрона: 114 мм
- Ход плунжера: 35 мм.
- Вес: 124 кг.
- Тип патрона: трехкулачковый, механизированный.
- Количество кулачков: 3 шт.
Производитель:
За три десятилетия своей деятельности компания Samchully Machinery Co., Ltd. зарекомендовала себя в качестве надежного производителя высококачественного инструмента для крепления, пользующегося устойчивым спросом у предприятий различных отраслей промышленности.
Оборудование, производимое компанией Samchully, может найти применение в следующих областях:
- Строительная и промышленная техника: Изделия Samchully могут быть использованы в производстве тяжёлой техники, предназначенной для строительных или промышленных работ.
- Газовое оборудование: Учитывая основную сферу деятельности Samchully Group - распределение газа, оборудование компании может быть востребовано в производстве газового оборудования.
- Системы автоматизации и производство: Компоненты, производимые Samchully, могут быть интегрированы в системы автоматизации или использованы в производственных процессах.
Продукция компании охватывает широкий спектр инструментов, включающий ручной и механизированный инструмент, специализированные зажимные приспособления, индексные патроны и гидравлические цилиндры для поворотных столов. Ассортимент также включает в себя ручные и механизированные тиски, самоцентрирующиеся люнеты и кулачки различных размеров как в закаленном, так и в необработанном виде.
Samchully стала одной из первых южнокорейских компаний, получивших сертификат соответствия международным стандартам качества, что свидетельствует о ее постоянном стремлении к достижению высоких производственных стандартов.

ДИАГРАММА ФАКТИЧЕСКОЙ СИЛЫ ЗАХВАТА


СПЕЦИФИКАЦИЯ
| Модель | HC-04 | HC-05 | HC-06 | HC-08 | HC-10 | HC-12 | HC-15 | HC-18 | HC-21 | HC-24 | HC-32S | HC-40S |
| Диаметр кулачкового отверстия [мм] | 6.4 | 6.4 | 8.5 | 8.8 | 8.8 | 10.5 | 16 | 16 | 16 | 16 | 20 | 46 |
| Ход плунжера [мм] | 15 | 15 | 18.5 | 19 | 25 | 30 | 35 | 35 | 35 | 35 | 38 | 57 |
| Максимальный диаметр зажима [мм] | 110 | 135 | 165 | 210 | 254 | 304 | 381 | 450 | 530 | 610 | 800 | 1000 |
| Минимальный диаметр зажима [мм] | 8 | 16 | 19 | 23 | 24 | 26 | 71 | 133 | 62 | 152 | 200 | 330 |
| Максимальное допустимое усилие [кН(кгс)] | 8.2(836) | 8.2(836) | 18(1835) | 25(2549) | 29(2957) | 41(4181) | 82(8362) | 82(8362) | 82(8362) | 82(8362) | 100(12236) | 180(18256) |
| Максимальная статическая сила зажима [кН(кгс)] | 22.8(2325) | 25.2(2570) | 52.5(5353) | 75(7648) | 108(11013) | 156(15907) | 249(25391) | 249(25391) | 273(27838) | 273(27838) | 240(21805) | 320(32454) |
| Максимальная скорость вращения [мин-1] | 6 000 | 5 500 | 5 270 | 4 760 | 4 010 | 3 380 | 3 040 | 2710 | 1940 | 1760 | 800 | 630 |
| Вес [кг] | 4.1 | 6.2 | 13 | 25 | 37 | 57.3 | 96 | 124 | 180 | 223 | 350 | 600 |
| Момент инерции [Н·м²(кгс·м²)] | 0.008 | 0.014 | 0,042 | 0,135 | 0,3 | 0,72 | 1,85 | 3,2 | 7,1 | 12,2 | 38,5 | 89 |
| Максимальное гидравлическое давление [Мпа(кгс/см²)] | 2.4(24.5) | 2.4(24.5) | 2.6(26.5) | 2.5(25.5) | 2.8(28.6) | 2.7(27.5) | 3.2(32.6) | 3.2(32.6) | 3.2(32.6) | 3.2(32.6) | 3,99(40,8) | 3,99(40,8) |
| Гидравлический рабочий цилиндр | Y-0715R(RE) | Y-0715R(RE) | Y-1020R(RE) | Y-1225R(RE) | Y-1225R(RE) | Y-1530R(RE) | Y-2035R(RE) | Y-2035R(RE) | Y-2035R(RE) | Y-2035R(RE) | Y-2050R(RE) | Y-2560(RE) |
| Пневматический рабочий цилиндр | AY-1315R | AY-1315R | AY-1720R | AY-2225R | AY-2225R | AY-2730R | - | - | - | - | - | - |
| Рабочий закалённый кулачок | HB04N1 | HB04N1 | HB06A1 | HB08A1 | HB10A1 | HB12B1 | HB15N1 | HB15N1 | HB18B2 | HB18B2 | HB32B2 | HB40B2 |
| Модель KITAGAWA® аналог | N-04 | N-05 | N-06 | N-08 | N-10 | N-12 | N-15 | N-18 | N-21 | N-24 | - | - |
| Ручная настройка | - | - | - | - | - | - | - | - | - | - | 30 | 30 |