GANRO
HINAKA пневматические и гидравлические цилиндры
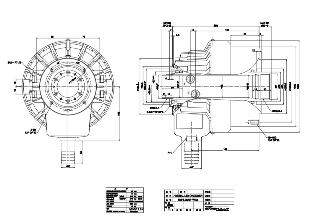
SYHL-1552 Samchully | Гидравлический цилиндр

Описание:
Гидравлический цилиндр SYHL-1552 производства компании SAMCHULLY, выполненный с открытым центром, предназначен для активации механизированного патрона на металлообрабатывающих станках. Его функция заключается в обеспечении надежного зажима или разжима обрабатываемых деталей в кулачках патрона.
Цилиндр SYHL-1552 обладает максимальной скоростью вращения 6200 оборотов в минуту и рекомендован для применения на станках с числовым программным управлением (ЧПУ). Изделие поставляется с гарантией от производителя.
Применение/преимущество для покупателя:
- Данное устройство характеризуется компактными размерами и незначительным весом, сочетая это с большим рабочим ходом.
- В конструкции предусмотрены встроенные запорные и предохранительные клапаны, которые обеспечивают надежную защиту от повреждений, вызванных превышением допустимого давления.
- В случае прекращения подачи электроэнергии или сбоя питания, клапаны гарантируют безопасное отключение устройства, сохраняя при этом силу тяги на прежнем уровне.
Основные характеристики (ориентировочные, уточняйте у производителя):
- Производитель: Samchully (корейский бренд, производящий гидравлические компоненты для станков с ЧПУ).
- Тип: Гидроцилиндр для кулачковых и цанговых патронов с открытым центром
- Диаметр проходного отверстия: 52 мм
- Площадь поршня : 155 см²
- Ход поршня : 34 мм
- Мах. скорость вращения : 6200 об.мин.
Производитель:
За три десятилетия своей работы компания Samchully Machinery Co., Ltd. зарекомендовала себя как производитель высококачественного инструмента для крепления, пользующегося устойчивым спросом в различных промышленных секторах.
Ассортимент продукции компании охватывает широкий спектр инструментов, включая ручной и механизированный инструмент, специализированные зажимные устройства, индексные патроны, а также гидравлические цилиндры для поворотных столов. Кроме того, в ассортименте представлены ручные и механизированные тиски, самоцентрирующиеся люнеты и кулачки различных размеров как в закаленном, так и в необработанном исполнении.
Samchully стала одной из первых южнокорейских компаний, получивших сертификацию, подтверждающую соответствие ее продукции международным стандартам качества. Это служит веским доказательством неизменной приверженности компании высоким стандартам производства.качества, что служит неоспоримым доказательством её неуклонной приверженности высоким производственным стандартам.

СПЕЦИФИКАЦИЯ
| Модель гидроцилиндра / Характеристики | SYHL-1246 | SYHL-1552 | SYHL-1877 | SYHL-2091 | SYHL-2816 |
| Проходной диаметр прутка [мм] | 46 | 52 | 68, 75, 77 | 91 | 166.5 |
| Диаметр поршня [мм] | 125 | 155 | 180 | 205 | 280 |
| Ход поршня [мм] | 32 | 34 | 40 | 50 | 51 |
| Площадь поршня(зажим) [см²] | 100 | 161 | 198 | 252 | 377 |
| Площадь поршня(разжим) [см²] | 89 | 150 | 183 | 234 | 332 |
| Усилее плунжера(зажим)[кН(кгс)] | 38(3875) | 60(6118) | 74(7546) | 94(9585) | 113(11522) |
| Усилее плунжера(разжим)[кН(кгс)] | 33(3365) | 56(5710) | 69(7063) | 88(8973) | 100(10196) |
| Мах.рабочее давление [МПа (кгс/см²)] | 4.0(40.8) | 4.0(40.8) | 4.0(40.8) | 4.0(40.8) | 3.3(33.6) |
| Мах.скорость вращения [min-¹] | 7000 | 6200 | 4700 | 3800 | 2000 |
| Момент инерции [кг·м²] | 0.022 | 0.058 | 0.098 | 0.0160 | 3.31 |
| Вес [кг] | 12.8 | 17 | 26.8 | 34.1 | 101 |
| Расход масла [л/мин] | 3 | 3.9 | 4.2 | 4.5 | 8.4 |
| KITAGAWA совместимый гидроцилиндр | S-1246L | S-1552L | S-1875L | S-2091L | S-2816L |
| Модель гидроцилиндра / Размер | SYHL-1246 | SYHL-1552 | SYHL-1877 | SYHL-2091 | SYHL-2816 |
| C | 155 | 190 | 215 | 240 | 325 |
| D | 130 | 170 | 190 | 215 | 290 |
| E | 100 | 130 | 160 | 180 | 260 |
| F | 80 | 85 | 120 | 140 | 240 |
| G | 65 | 70 | 95 | 110 | 190 |
| H max. | M55x2.0 | M60x2.0 | M85x2.0 | M100x2.0 | M180x3.0 |
| J | 46 | 52 | 77 | 91 | 166.5 |
| K | 36 | 36 | 36 | 34 | 30 |
| M | 52.9 | 59.6 | 84.6 | 99.6 | 174.6 |
| N | 64 | 73 | 98 | 108 | 188 |
| P | 85 | 96 | 121 | 138 | 222 |
| Q | 51.5 | 57 | 70 | 79 | 120 |
| S | 118 | 137 | 166 | 182 | 282 |
| T | 115 | 130 | 160 | 185 | 250 |
| U | 205 | 208 | 246 | 273 | 370 |
| V max. | 27 | 29 | 35 | 50 | 51 |
| V min. | -5 | -5 | -5 | 0 | 0 |
| W max. | 57 | 59 | 65 | 75 | 76 |
| W min. | 25 | 25 | 25 | 25 | 25 |
| Z | 5 | 5 | 5 | 5 | 5 |
| A1 | 11.5 | 12 | 17.5 | 21 | 28 |
| B1 | 147.5 | 153 | 169.5 | 188 | 259 |
| C1 | 30 | 30 | 35 | 35 | 45 |
| E1 | M6x9 | M6x9 | M6x9 | M6x14 | M6x12 |
| F1 | M10x20 | M10x20 | M10x20 | M12x24 | M16x32 |
| G1 | 156 | 162 | 182.5 | 203 | 276 |
| H1 | 98 | 110 | 155 | 165 | 256 |
| J1 | 76 | 86 | 101 | 110 | 162 |
| K1 | 47 | 47 | 47 | 47 | 47 |
| L1 | 15 | 15 | 15 | 15 | 20 |
| M1 | 50 | 55 | 80 | 95 | 170 |
| N1 | 76 | 85 | 108 | 120 | 200 |
| P1 | 4 | 4 | 4 | 4 | 4 |
| Q1 | M5x10 | M6x12 | M6x12 | M6x12 | M6x12 |
| R1 | 6 | 7 | 7 | 7 | 7 |
| S1 | PT1/2 | PT1/2 | PT1/2 | PT1/2 | PT1/2 |
| T1 | 12 | 12 | 12 | 12 | 7 |
| U1 | 200 | 220 | 242 | 267 | 352 |
| V1 | 67 | 68 | 74 | 86 | 123 |
| W1 | M52x1.5 | M58x1.5 | M84x2.0 | M99x2.0 | M173x2.0 |
| X1 | 50 | 56 | 81 | 96 | 170.5 |