GANRO
HINAKA пневматические и гидравлические цилиндры
SYHL-2091 Samchully | Гидравлический цилиндр

Описание:
Гидравлический цилиндр модели SYHL-2091, изготовленный компанией SAMCHULLY с открытым центром, разработан для приведения в действие механизированных патронов, используемых на металлообрабатывающих станках.
Обеспечение надежного закрепления и отпуска обрабатываемых деталей в зажимных устройствах патрона является ключевым аспектом.
Цилиндр модели SYHL-2091 обладает скоростью вращения, составляющей 3800 оборотов в минуту и рекомендуется для использования в станках с числовым программным управлением. Изделие охвачено гарантией от производителя.
Применение/преимущество для покупателя:
- Устройство отличается компактными габаритами и малым весом при значительном рабочем ходе.
- В его конструкции реализована система встроенных запорных и предохранительных клапанов, гарантирующих защиту от повреждений, вызванных превышением допустимого давления.
- При возникновении перебоев в электропитании или отключении электроэнергии, клапаны обеспечивают безопасное отключение устройства с сохранением силы тяги на прежнем уровне.
Основные характеристики (ориентировочные, уточняйте у производителя):
- Производитель: Samchully (корейский бренд, производящий гидравлические компоненты для станков с ЧПУ).
- Тип: Гидроцилиндр для кулачковых и цанговых патронов с открытым центром
- Диаметр проходного отверстия: 91 мм
- Площадь поршня : 205 см²
- Ход поршня : 50 мм
- Мах. скорость вращения : 3800 об.мин.
Производитель:
Компания Samchully является одной из первых южнокорейских фирм, получивших сертификацию, подтверждающую соответствие ее продукции международным стандартам качества. Данный факт служит неопровержимым свидетельством неуклонной приверженности компании высоким стандартам производства и качеству выпускаемой продукции.
Номенклатура продукции Samchully охватывает широкий спектр инструментальных средств: ручной и механизированный инструмент, специализированные зажимные устройства, индексные патроны, а также гидравлические цилиндры для поворотных столов. Ассортимент дополняют ручные и механизированные тиски, самоцентрирующиеся люнеты и кулачки различных размеров в закаленном и необработанном исполнении.
За три десятилетия своей деятельности Samchully Machinery Co., Ltd. заслужила безупречную репутацию производителя высококачественного инструмента для крепления, пользующегося устойчивым спросом в различных отраслях промышленности.

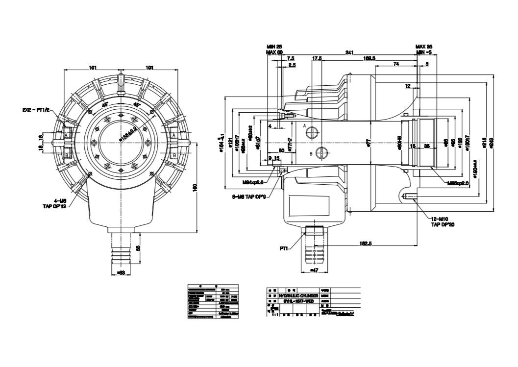
СПЕЦИФИКАЦИЯ
| Модель гидроцилиндра / Характеристики | SYHL-1246 | SYHL-1552 | SYHL-1877 | SYHL-2091 | SYHL-2816 |
| Проходной диаметр прутка [мм] | 46 | 52 | 68, 75, 77 | 91 | 166.5 |
| Диаметр поршня [мм] | 125 | 155 | 180 | 205 | 280 |
| Ход поршня [мм] | 32 | 34 | 40 | 50 | 51 |
| Площадь поршня(зажим) [см²] | 100 | 161 | 198 | 252 | 377 |
| Площадь поршня(разжим) [см²] | 89 | 150 | 183 | 234 | 332 |
| Усилее плунжера(зажим)[кН(кгс)] | 38(3875) | 60(6118) | 74(7546) | 94(9585) | 113(11522) |
| Усилее плунжера(разжим)[кН(кгс)] | 33(3365) | 56(5710) | 69(7063) | 88(8973) | 100(10196) |
| Мах.рабочее давление [МПа (кгс/см²)] | 4.0(40.8) | 4.0(40.8) | 4.0(40.8) | 4.0(40.8) | 3.3(33.6) |
| Мах.скорость вращения [min-¹] | 7000 | 6200 | 4700 | 3800 | 2000 |
| Момент инерции [кг·м²] | 0.022 | 0.058 | 0.098 | 0.0160 | 3.31 |
| Вес [кг] | 12.8 | 17 | 26.8 | 34.1 | 101 |
| Расход масла [л/мин] | 3 | 3.9 | 4.2 | 4.5 | 8.4 |
| KITAGAWA совместимый гидроцилиндр | S-1246L | S-1552L | S-1875L | S-2091L | S-2816L |
| Модель гидроцилиндра / Размер | SYHL-1246 | SYHL-1552 | SYHL-1877 | SYHL-2091 | SYHL-2816 |
| C | 155 | 190 | 215 | 240 | 325 |
| D | 130 | 170 | 190 | 215 | 290 |
| E | 100 | 130 | 160 | 180 | 260 |
| F | 80 | 85 | 120 | 140 | 240 |
| G | 65 | 70 | 95 | 110 | 190 |
| H max. | M55x2.0 | M60x2.0 | M85x2.0 | M100x2.0 | M180x3.0 |
| J | 46 | 52 | 77 | 91 | 166.5 |
| K | 36 | 36 | 36 | 34 | 30 |
| M | 52.9 | 59.6 | 84.6 | 99.6 | 174.6 |
| N | 64 | 73 | 98 | 108 | 188 |
| P | 85 | 96 | 121 | 138 | 222 |
| Q | 51.5 | 57 | 70 | 79 | 120 |
| S | 118 | 137 | 166 | 182 | 282 |
| T | 115 | 130 | 160 | 185 | 250 |
| U | 205 | 208 | 246 | 273 | 370 |
| V max. | 27 | 29 | 35 | 50 | 51 |
| V min. | -5 | -5 | -5 | 0 | 0 |
| W max. | 57 | 59 | 65 | 75 | 76 |
| W min. | 25 | 25 | 25 | 25 | 25 |
| Z | 5 | 5 | 5 | 5 | 5 |
| A1 | 11.5 | 12 | 17.5 | 21 | 28 |
| B1 | 147.5 | 153 | 169.5 | 188 | 259 |
| C1 | 30 | 30 | 35 | 35 | 45 |
| E1 | M6x9 | M6x9 | M6x9 | M6x14 | M6x12 |
| F1 | M10x20 | M10x20 | M10x20 | M12x24 | M16x32 |
| G1 | 156 | 162 | 182.5 | 203 | 276 |
| H1 | 98 | 110 | 155 | 165 | 256 |
| J1 | 76 | 86 | 101 | 110 | 162 |
| K1 | 47 | 47 | 47 | 47 | 47 |
| L1 | 15 | 15 | 15 | 15 | 20 |
| M1 | 50 | 55 | 80 | 95 | 170 |
| N1 | 76 | 85 | 108 | 120 | 200 |
| P1 | 4 | 4 | 4 | 4 | 4 |
| Q1 | M5x10 | M6x12 | M6x12 | M6x12 | M6x12 |
| R1 | 6 | 7 | 7 | 7 | 7 |
| S1 | PT1/2 | PT1/2 | PT1/2 | PT1/2 | PT1/2 |
| T1 | 12 | 12 | 12 | 12 | 7 |
| U1 | 200 | 220 | 242 | 267 | 352 |
| V1 | 67 | 68 | 74 | 86 | 123 |
| W1 | M52x1.5 | M58x1.5 | M84x2.0 | M99x2.0 | M173x2.0 |
| X1 | 50 | 56 | 81 | 96 | 170.5 |