GANRO
HINAKA пневматические и гидравлические цилиндры
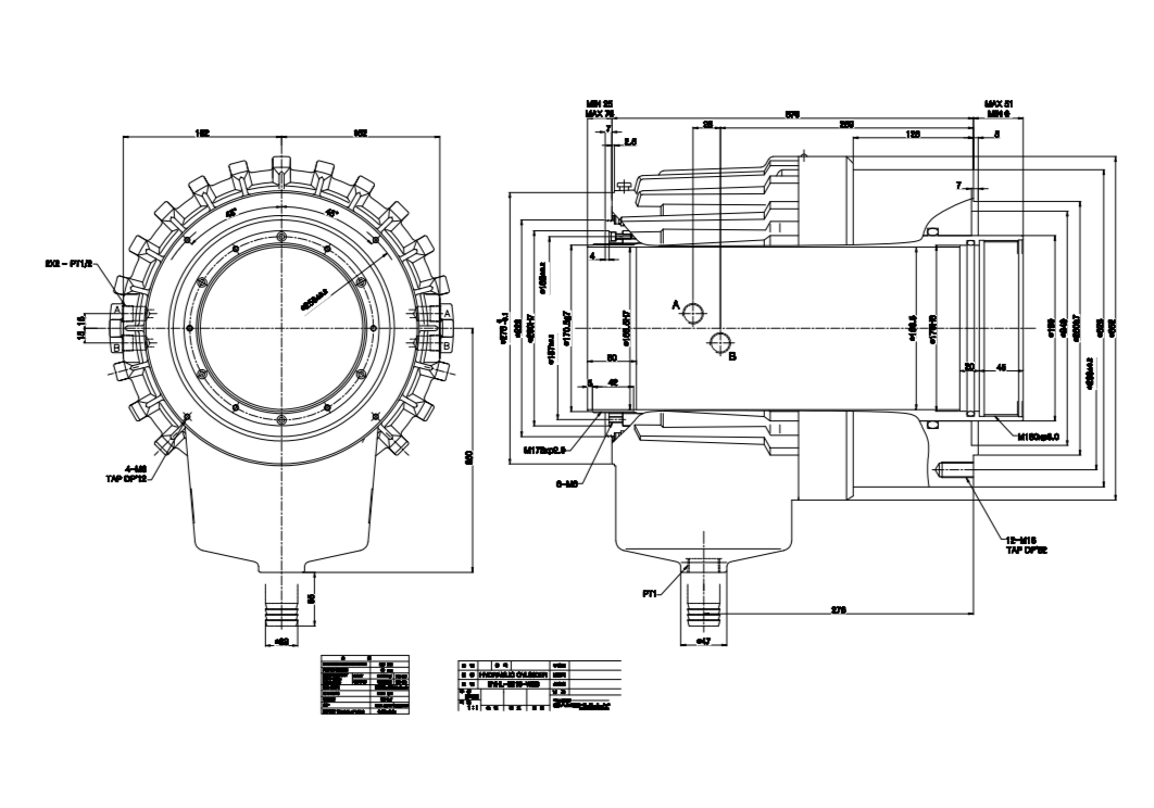
SYHL-2816 Samchully | Гидравлический цилиндр

Описание:
Гидравлический цилиндр модели SYHL-2816 производства компании SAMCHULLY, спроектированный с открытым центром, предназначен для активации механизированных патронов, применяемых на станках для обработки металлов.
Ключевой функцией данного цилиндра является обеспечение надежного и безопасного зажима и отпуска обрабатываемых деталей в зажимных приспособлениях патрона.
Модель SYHL-2816 характеризуется скоростью вращения 2000 оборотов в минуту и рекомендована для использования на станках с числовым программным управлением (ЧПУ). Изделие сопровождается гарантией от производителя.
Применение/преимущество для покупателя:
- В конструкции предусмотрена система интегрированных запорных и предохранительных клапанов, обеспечивающих защиту от повреждений, возникающих в результате превышения допустимого давления.
- В случае перерывов в электроснабжении или его полного прекращения, клапаны гарантируют безопасное отключение устройства с сохранением прежней силы тяги..
Основные характеристики (ориентировочные, уточняйте у производителя):
- Производитель: Samchully (корейский бренд, производящий гидравлические компоненты для станков с ЧПУ).
- Тип: Гидроцилиндр для кулачковых и цанговых патронов с открытым центром
- Диаметр проходного отверстия: 166.5 мм
- Площадь поршня : 280 см²
- Ход поршня : 51 мм
- Мах. скорость вращения : 2000 об.мин.
Производитель:
Компания Samchully (Самчхулли) – одна из первых южнокорейских фирм, получивших международную сертификацию качества, что свидетельствует о её неуклонном стремлении к высочайшим стандартам производства и качеству продукции.
Ассортимент продукции Samchully (Самчхулли) включает в себя широкий спектр инструментальных средств: ручной и механизированный инструмент, специализированные зажимные приспособления, индексные патроны и гидравлические цилиндры для поворотных столов. Кроме того, компания предлагает ручные и механизированные тиски, самоцентрирующиеся люнеты и кулачки различных размеров как в закаленном, так и в необработанном исполнении.
За три десятилетия своей деятельности Samchully Machinery Co., Ltd. (Самчхулли Машинери Ко. Лтд) заслужила безупречную репутацию производителя высококачественного инструмента для крепления, пользующегося стабильным спросом во всех отраслях промышленности.

СПЕЦИФИКАЦИЯ
| Модель гидроцилиндра / Характеристики | SYHL-1246 | SYHL-1552 | SYHL-1877 | SYHL-2091 | SYHL-2816 |
| Проходной диаметр прутка [мм] | 46 | 52 | 68, 75, 77 | 91 | 166.5 |
| Диаметр поршня [мм] | 125 | 155 | 180 | 205 | 280 |
| Ход поршня [мм] | 32 | 34 | 40 | 50 | 51 |
| Площадь поршня(зажим) [см²] | 100 | 161 | 198 | 252 | 377 |
| Площадь поршня(разжим) [см²] | 89 | 150 | 183 | 234 | 332 |
| Усилее плунжера(зажим)[кН(кгс)] | 38(3875) | 60(6118) | 74(7546) | 94(9585) | 113(11522) |
| Усилее плунжера(разжим)[кН(кгс)] | 33(3365) | 56(5710) | 69(7063) | 88(8973) | 100(10196) |
| Мах.рабочее давление [МПа (кгс/см²)] | 4.0(40.8) | 4.0(40.8) | 4.0(40.8) | 4.0(40.8) | 3.3(33.6) |
| Мах.скорость вращения [min-¹] | 7000 | 6200 | 4700 | 3800 | 2000 |
| Момент инерции [кг·м²] | 0.022 | 0.058 | 0.098 | 0.0160 | 3.31 |
| Вес [кг] | 12.8 | 17 | 26.8 | 34.1 | 101 |
| Расход масла [л/мин] | 3 | 3.9 | 4.2 | 4.5 | 8.4 |
| KITAGAWA совместимый гидроцилиндр | S-1246L | S-1552L | S-1875L | S-2091L | S-2816L |
| Модель гидроцилиндра / Размер | SYHL-1246 | SYHL-1552 | SYHL-1877 | SYHL-2091 | SYHL-2816 |
| C | 155 | 190 | 215 | 240 | 325 |
| D | 130 | 170 | 190 | 215 | 290 |
| E | 100 | 130 | 160 | 180 | 260 |
| F | 80 | 85 | 120 | 140 | 240 |
| G | 65 | 70 | 95 | 110 | 190 |
| H max. | M55x2.0 | M60x2.0 | M85x2.0 | M100x2.0 | M180x3.0 |
| J | 46 | 52 | 77 | 91 | 166.5 |
| K | 36 | 36 | 36 | 34 | 30 |
| M | 52.9 | 59.6 | 84.6 | 99.6 | 174.6 |
| N | 64 | 73 | 98 | 108 | 188 |
| P | 85 | 96 | 121 | 138 | 222 |
| Q | 51.5 | 57 | 70 | 79 | 120 |
| S | 118 | 137 | 166 | 182 | 282 |
| T | 115 | 130 | 160 | 185 | 250 |
| U | 205 | 208 | 246 | 273 | 370 |
| V max. | 27 | 29 | 35 | 50 | 51 |
| V min. | -5 | -5 | -5 | 0 | 0 |
| W max. | 57 | 59 | 65 | 75 | 76 |
| W min. | 25 | 25 | 25 | 25 | 25 |
| Z | 5 | 5 | 5 | 5 | 5 |
| A1 | 11.5 | 12 | 17.5 | 21 | 28 |
| B1 | 147.5 | 153 | 169.5 | 188 | 259 |
| C1 | 30 | 30 | 35 | 35 | 45 |
| E1 | M6x9 | M6x9 | M6x9 | M6x14 | M6x12 |
| F1 | M10x20 | M10x20 | M10x20 | M12x24 | M16x32 |
| G1 | 156 | 162 | 182.5 | 203 | 276 |
| H1 | 98 | 110 | 155 | 165 | 256 |
| J1 | 76 | 86 | 101 | 110 | 162 |
| K1 | 47 | 47 | 47 | 47 | 47 |
| L1 | 15 | 15 | 15 | 15 | 20 |
| M1 | 50 | 55 | 80 | 95 | 170 |
| N1 | 76 | 85 | 108 | 120 | 200 |
| P1 | 4 | 4 | 4 | 4 | 4 |
| Q1 | M5x10 | M6x12 | M6x12 | M6x12 | M6x12 |
| R1 | 6 | 7 | 7 | 7 | 7 |
| S1 | PT1/2 | PT1/2 | PT1/2 | PT1/2 | PT1/2 |
| T1 | 12 | 12 | 12 | 12 | 7 |
| U1 | 200 | 220 | 242 | 267 | 352 |
| V1 | 67 | 68 | 74 | 86 | 123 |
| W1 | M52x1.5 | M58x1.5 | M84x2.0 | M99x2.0 | M173x2.0 |
| X1 | 50 | 56 | 81 | 96 | 170.5 |